

應用范圍:微波爐、電風扇、電暖器、展示臺、舞臺燈等
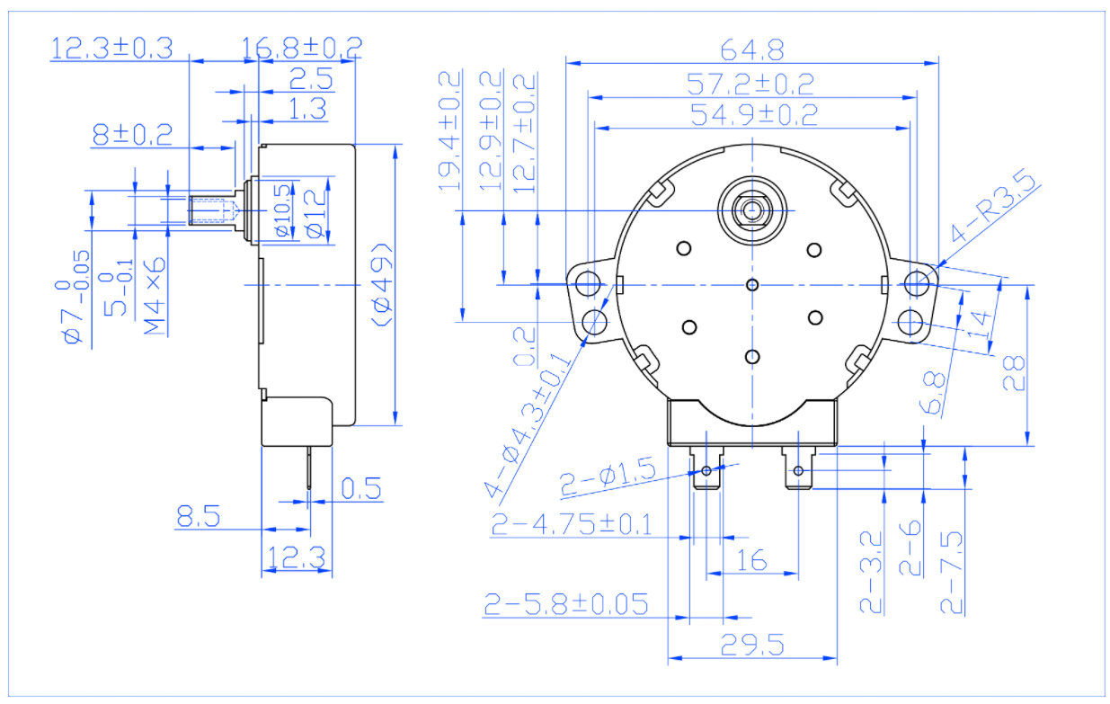
外觀安裝尺寸圖 SCHEMATIC CIRCUIT
電機主要性能表 SPECIFICATION
上一個:同步電機49TYJ-C-III
下一個:同步電機49TYJ-C-IX



