

應用范圍:直流電風扇、電暖器、制冰機、洗衣機、洗碗機等
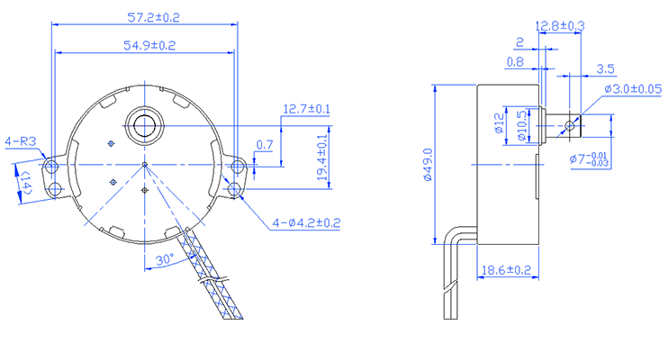
外觀安裝尺寸圖 SCHEMATIC CIRCUIT
電機主要性能表 SPECIFICATION
上一個:步進電機35BYJ
下一個:同步電機49TYJ-C-III



